
文章图片

文章图片

文章图片
移民月球 , 很多人的梦想 。 但在“移民”之前 , 必须解决的一个问题是:上了月球 , 氧气从哪儿来?
移民月球可不像之前的登月任务 , 只待在飞船舱内或短暂出舱 , 这不能算是完全意义上的“移民成功” 。 可一旦出舱 , 人们要面对的 , 就是那个没有大气层保护的月球 。 换句话说 , 就是没有氧气 。
不过 , 英国的一个研究团队却表示 , 这个问题好解决 。
它的答案就藏在月球表面的月壤里 , 只要高中毕业 , 就能掌握“凭空”制氧的秘诀 。
月壤里有氧气 , 很奇怪么?准确点说 , 月壤里藏着的 , 不是氧气 , 而是氧元素 。
有关月球的起源 , 历史上一直有三大派别:分裂说、俘获说、同源说 。 后来 , 人们在这三大派别的基础上 , 结合与月球相关的最新研究成果 , 提出了碰撞说 。
按照“碰撞说”的说法 , 太阳系在演化早期 , 曾形成过大量的“星子” 。 这些“星子”通过不断的相互碰撞、吸积 , 组成了两个原始天体——一个是我们现在所生活的地球 , 另一个则是质量约为地球0.14倍的天体星子 。
因为这两个天体间的距离并不远 , 一次偶然的机会 , 它们相撞了 。
剧烈的撞击不但让地球的自转轴发生倾斜 , 还让那个小天体几乎支离破碎 。 而撞击所产生的巨大能量和气体卷集着大量粉碎后的尘埃、碎片 , 以极快的速度飞离地球 。 而这些碎片在吸积作用下慢慢结合到一起 , 最后变成了我们现在所看到的月球 。
这个说法 , 得到了一些“成分党”的支持 。
科学家们通过对地球和月球的平均成分比较发现 , 尽管月球的密度较低 , 但却和地球有着相似度超高的同位素成分 。 比如 , 氧、铬、钛、铁、钨、硅等 。
而在对月壤的主要组成部分分析中 , 科学家们发现 , 氧元素所占比例居然高达40%以上 。
月壤主要元素组成比例
为了一口氧气 , 他们对月壤做了这些氧元素是有了 , 但我们也不能直接抓一把月壤“吸一口” 。
于是 , 一些科学家开始尝试用氢气还原月壤中的氧化铁 , 以此获得液态水 , 再通过电解水的方法来制备氧气 。
且不说这个方法的实用性有多少 , 这个方法光是听上去 , 就太绕了 。 而后续的数据也证明 , 这个方法的确不行——科学家们对比了成功提取到的氧气重量和所需的月壤重量 , 发现这种方法的氧气产量仅有1%~3% , 真要移民月球 , 这个产出率看着就不靠谱 。
当然 , 也有科学家尝试用其他方法提取月壤中的氧气 。 比如 , 直接用1600℃的高温把含铁量比较高的月壤加热到熔融状态 , 直接提取月壤在这个状态下释放出的氧气 。
不过 , 这个方法的局限性也很大 。 一是要确保月球上有条件能把月壤的温度加热到1600℃ , 另外就是 , 所有用于这种制氧方式的月壤 , 其含铁量必须达到一定水平 。
即便是满足了这两个条件 , 它的制氧产出率也只能达到20%~30% 。
一个改良 , 上过高中就能懂而此次英国团队拿出的方案 , 显然是对之前的方法进行了优化 。
不需要1600℃高温、不需要电解水繁琐步骤、高达96%的产出率 , 这样的方法 , 原理居然还很简单——高中就讲过的 , 电解法 , 即利用直流电进行氧化还原的方法 。
只不过 , 他们换了一种电解质:CaCl2 , 氯化钙 。
实验中 , 英国的这支团队没有直接选择数量稀少的月壤 。 他们参考了以往对月壤成分的分析结果 , 选择了成分相似的旧金山火山群火山凝灰岩作为替代品 。
按照他们的说法 , 他们先将实验样品放进一个金属篮子中 , 然后把CaCl2加热到950℃ , 使它达到熔融状态 , 再把它放入实验样品中通电 。 通电后 , 电流就会刺激月壤中的氧元素穿过电解质从阴极迁移到阳极 , 最后变成氧气释放出来 。 而无需经过以前实验中先制备液态水的那一步 。
而他们所测得的数据显示 , 15小时内 , 这种方法能成功提取样品中75%的氧元素 , 50小时内 , 样品中96%的氧元素都能被提取出来 , 制成氧气 。
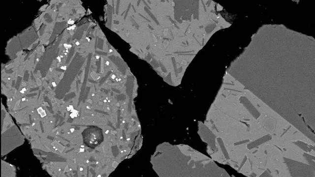
显微镜下 , 样品实验前后变化
- 火星|我国打造太空核反应堆,功率高达一兆瓦,可为月球和火星基地供电
- 太空望远镜|即将发射的韦伯太空望远镜有多牛?可以在月球上探测到地球上一只黄蜂的热量特征
- ipad mini|想入手iPad mini 5,又觉得没什么用,iPad实用性在哪里?
- 行星|为什么NASA要重返月球?答案会是这样的?
- 创业|马云可能也没料到,“电商黑马”出现,拼多多、京东和淘宝难办了
- 毒蛇|NASA版嫦娥探月:毒蛇号月球找水车,规模是玉兔二号的3倍
- iphone13|某东买的iPhone13Pro到了,原封未激活,包装完好,没翻车!
- 电子商务|“退微信群”谣言背后:总有人用阴谋论湮没常识
- type-c|酒店管事的让我修电脑,玩套路卡我不给钱,这种人没有下次了!
- 霍金|宇宙大爆炸之前什么都没有?霍金为什么这么说?答案很奇妙
